Zum Hauptinhalt springen Zur Suche springen Zur Hauptnavigation springen
Ihr Druckluft-Onlineshop – seit über 15 Jahren
Kompetente Fachberatung
Über 400.000 zufriedene Kunden
Ersatzteil-Service

Zweihand-Sicherheitsblock G 1/4", 5/2-Wege (Federrückstellung)

Passendes Zubehör

Das könnte Sie auch interessieren

DF Preisgarantie: Wir ziehen mit!

Sparen Sie sich den Vergleich: Sollten Sie einen unserer Artikel bei einem deutschen Wettbewerber (online oder im Ladengeschäft) günstiger entdecken, passen wir unser Angebot an. Sie zahlen bei uns garantiert nur den Mitbewerberpreis.

Um die Preisgarantie in Anspruch zu nehmen, füllen Sie bitte unser Preisgarantie-Formular aus.

Produktinformationen "Zweihand-Sicherheitsblock G 1/4", 5/2-Wege (Federrückstellung)"

Werkstoffe:

Körper: Aluminium eloxiert, Innenteile: Aluminium, Messing und Edelstahl, Dichtungen: Kunststoff und NBR

Temperaturbereich:

-10°C bis max. +70°C (Standardausführung: -10°C bis max. +60°C)

Medien:

geölte und ungeölte, gefilterte Druckluft

Druckeingang:

Anschluss P (Typ SZ 18 310 B: Luftversorgung über Steuerungssignale)

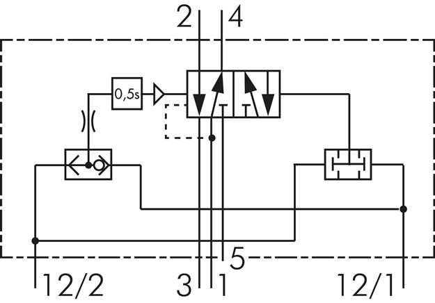
Funktion SZ:

Das Ventil schaltet, wenn zwei Eingangssignale Z 1 und Z 2 innerhalb 0,5 sek. ankommen. Nach Löschen eines oder beider Signale stellt der Kolben zurück. Wenn die Eingangssignale nicht innerhalb 0,5 sek. ankommen, schaltet das Ventil nicht. Zum Wiedereinschalten müssen vorher beide Signale gelöscht werden.

Anwendung SZ:

Für Maschinen und Vorrichtungen, die beidhändig eingeschaltet werden müssen (z.B. Pressen). Mit dem Ventil SZ 14510 bzw. SZS 14510 können Zylinder bis Ø 160 direkt betrieben werden.

Funktion SZS:

Dieser Zweihandsteuerblock hat außer den beiden Signaleingängen Z 1 und Z 2 noch den Signalanschluss Y. Signal auf Y schaltet den Zweihandsteuerblock wie ein normales 5/2-Wegeventil.

Anwendung SZS:

1. Für Maschinen und Vorrichtungen, die beidhändig eingeschaltet werden müssen, jedoch kurz vor Hubende auf "Selbsthaltung" schalten. Die beiden Handtasten können schon vor Hubende losgelassen werden. Selbsthaltung wird durch den Endschalter (Signal auf Y) eingeschaltet und durch ein Zeitventil oder einen Druckschalter gelöst. 2. Für Maschinen und Vorrichtungen, die wahlweise beid- oder einhändig oder über Fußschalter eingeschaltet werden.

*abhängig vom Betriebsdruck

Weitere Eigenschaften:

Funktion5/2-Wege (Federrückstellung)
BaureihePräzision
GewindeG 1/4"
Nennweite (mm)8
Durchfluss (L/min)1.300
Betriebsdruck (bar)4 - 10
Steuerdruck* (bar)4 - 10
Steueranschluss 14 - 12G 1/8"
Temperaturbereich (°C)-10 bis +70
Gewicht800 g / Stk.

Herstellerdaten

DF Druckluft-Fachhandel GmbH
Adresse: Hewlett-Packard-Straße 1, 71083 Herrenberg
E-Mail: info@druckluft-fachhandel.de

0 von 0 Bewertungen

Durchschnittliche Bewertung von 0 von 5 Sternen

Bewerten Sie dieses Produkt!

Teilen Sie Ihre Erfahrungen mit anderen Kunden.


Für Sie ausgesucht

Andere Kunden kauften auch