Zum Hauptinhalt springen Zur Suche springen Zur Hauptnavigation springen
Ihr Druckluft-Onlineshop – seit über 15 Jahren
Kompetente Fachberatung
Über 400.000 zufriedene Kunden
Ersatzteil-Service

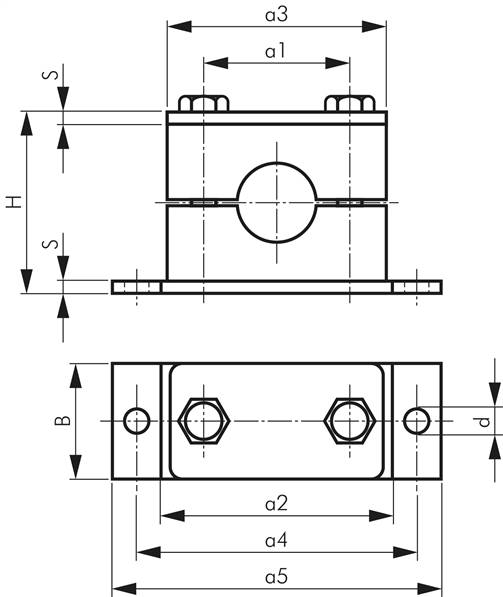
Rohrschelle (Elastomereinsatz) 25mm, Baugröße 6, leichte Baureihe, mit Anschweißplatte & Deckplatte

Passendes Zubehör

Das könnte Sie auch interessieren

DF Preisgarantie: Wir ziehen mit!

Sparen Sie sich den Vergleich: Sollten Sie einen unserer Artikel bei einem deutschen Wettbewerber (online oder im Ladengeschäft) günstiger entdecken, passen wir unser Angebot an. Sie zahlen bei uns garantiert nur den Mitbewerberpreis.

Um die Preisgarantie in Anspruch zu nehmen, füllen Sie bitte unser Preisgarantie-Formular aus.

Produktinformationen "Rohrschelle (Elastomereinsatz) 25mm, Baugröße 6, leichte Baureihe, mit Anschweißplatte & Deckplatte"

Werkstoffe:

Metallteile: Stahl blank / Stahl verzinkt, Schrauben: Stahl verzinkt, Schelle: Polypropylen, Elastomereinsatz: Chloropen-Kautschuk

Anwendung:

Durch den Elastomereinsatz werden Druckstöße der Rohrleitung abgefangen. Wir empfehlen eine elastische Schlauchleitung in dem problembehafteten Rohrleitungsnetz einzusetzen.

Weitere Eigenschaften:

AusführungKunststoffschelle mit Anschweißplatte &amp Deckplatte
BaugrößeBaugröße 6, leichte Baureihe
Rohr Ø außen (mm)25
H (mm)72
B (mm)30
a1 (mm)66
a2 (mm)88
a3 (mm)86
S (mm)3
Gewicht260 g / Stk.

Herstellerdaten

DF Druckluft-Fachhandel GmbH
Adresse: Hewlett-Packard-Straße 1, 71083 Herrenberg
E-Mail: info@druckluft-fachhandel.de

0 von 0 Bewertungen

Durchschnittliche Bewertung von 0 von 5 Sternen

Bewerten Sie dieses Produkt!

Teilen Sie Ihre Erfahrungen mit anderen Kunden.


Für Sie ausgesucht

Andere Kunden kauften auch