Zum Hauptinhalt springen Zur Suche springen Zur Hauptnavigation springen
Ihr Druckluft-Onlineshop – seit über 15 Jahren
Kompetente Fachberatung
Über 400.000 zufriedene Kunden
Ersatzteil-Service

Messing-Kugelhahn, G 1/4", PN 20, Schalttafeleinbau

Passendes Zubehör

Das könnte Sie auch interessieren

DF Preisgarantie: Wir ziehen mit!

Sparen Sie sich den Vergleich: Sollten Sie einen unserer Artikel bei einem deutschen Wettbewerber (online oder im Ladengeschäft) günstiger entdecken, passen wir unser Angebot an. Sie zahlen bei uns garantiert nur den Mitbewerberpreis.

Um die Preisgarantie in Anspruch zu nehmen, füllen Sie bitte unser Preisgarantie-Formular aus.

Produktinformationen "Messing-Kugelhahn, G 1/4", PN 20, Schalttafeleinbau"

Werkstoffe:

Gehäuse: Messing vernickelt, Kugel: Messing poliert, Dichtung: PA / NBR

Temperaturbereich:

-20°C bis +80°C

Einsatzbereich:

Wasser (kein Dampf), neutrale, gasförmige und nicht aggressive, flüssige Medien, Mineralöle, Druckluft, Vakuum (max. -0,98 bar)

Schalttafeleinbau:

Lochdurchmesser 20,5 mm (bei 1/8" Ausführung 16,5 mm)

Weitere Eigenschaften:

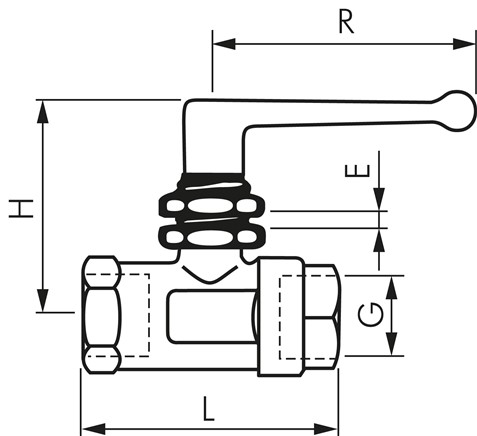
GG 1/4"
DN (mm)7
L (mm)53
PN (bar)-0,98 bis 20
H (mm)45
R (mm)48
Emax (mm)5
Gewicht190 g / Stk.
Anschluss: 1/4"
Ausführung - Norm: 2-weg
Gewindetyp: IG
Material: Messing vernickelt

Herstellerdaten

DF Druckluft-Fachhandel GmbH
Adresse: Hewlett-Packard-Straße 1, 71083 Herrenberg
E-Mail: info@druckluft-fachhandel.de

0 von 0 Bewertungen

Durchschnittliche Bewertung von 0 von 5 Sternen

Bewerten Sie dieses Produkt!

Teilen Sie Ihre Erfahrungen mit anderen Kunden.


Für Sie ausgesucht

Andere Kunden kauften auch