Zum Hauptinhalt springen Zur Suche springen Zur Hauptnavigation springen
Ihr Druckluft-Onlineshop – seit über 15 Jahren
Kompetente Fachberatung
Über 400.000 zufriedene Kunden
Ersatzteil-Service

Kompaktzylinder, doppeltwirkend, Kolben 40mm, Hub 80mm -Eco-Line

Passendes Zubehör

Das könnte Sie auch interessieren

DF Preisgarantie: Wir ziehen mit!

Sparen Sie sich den Vergleich: Sollten Sie einen unserer Artikel bei einem deutschen Wettbewerber (online oder im Ladengeschäft) günstiger entdecken, passen wir unser Angebot an. Sie zahlen bei uns garantiert nur den Mitbewerberpreis.

Um die Preisgarantie in Anspruch zu nehmen, füllen Sie bitte unser Preisgarantie-Formular aus.

Produktinformationen "Kompaktzylinder, doppeltwirkend, Kolben 40mm, Hub 80mm -Eco-Line"

Werkstoffe:

Körper: Aluminium eloxiert, Kolbenstange: Stahl hartverchromt, Dichtung: NBR

Temperaturbereich:

-10°C bis +60°C

Betriebsdruck:

max. 10 bar

Ausführung:

mit Magnetkolben

Zylinderschaltertyp:

D

Vorteile:

•besonders preiswert, •Zylinderschalter von verschiedenen Seiten montierbar, •Haupteinbaumaße identisch mit SMC Serie CQ2

Weitere Eigenschaften:

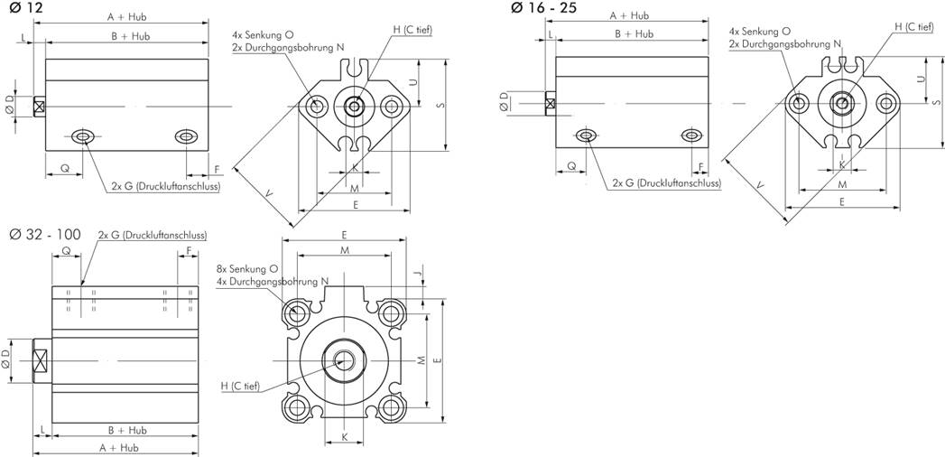
Kolben Ø (mm)40
Hub (mm)80
ReparatursätzeSQ 40 REP
A (mm)46,5
B (mm)39,5
C (mm)13
D (mm)16
E (mm)52
F (mm)8,0
GG 1/8"
HM 8
J (mm)5,0
K (mm)14
L (mm)7,0
M (mm)40
N (mm)5,5
O (mm)9 (7 tief)
Q (mm)11,0
Gewicht600 g / Stk.

Herstellerdaten

DF Druckluft-Fachhandel GmbH
Adresse: Hewlett-Packard-Straße 1, 71083 Herrenberg
E-Mail: info@druckluft-fachhandel.de

0 von 0 Bewertungen

Durchschnittliche Bewertung von 0 von 5 Sternen

Bewerten Sie dieses Produkt!

Teilen Sie Ihre Erfahrungen mit anderen Kunden.


Für Sie ausgesucht

Andere Kunden kauften auch