Zum Hauptinhalt springen Zur Suche springen Zur Hauptnavigation springen
Ihr Druckluft-Onlineshop – seit über 15 Jahren
Kompetente Fachberatung
Über 400.000 zufriedene Kunden
Ersatzteil-Service

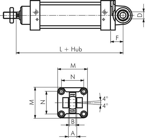
ISO15552-Laschenschwenkbefestigung (sphär) 80mm Aluminium

Passendes Zubehör

Das könnte Sie auch interessieren

DF Preisgarantie: Wir ziehen mit!

Sparen Sie sich den Vergleich: Sollten Sie einen unserer Artikel bei einem deutschen Wettbewerber (online oder im Ladengeschäft) günstiger entdecken, passen wir unser Angebot an. Sie zahlen bei uns garantiert nur den Mitbewerberpreis.

Um die Preisgarantie in Anspruch zu nehmen, füllen Sie bitte unser Preisgarantie-Formular aus.

Produktinformationen "ISO15552-Laschenschwenkbefestigung (sphär) 80mm Aluminium"

Lieferumfang:

1 Stk. Schwenkbefestigung, inkl. 4 Befestigungsschrauben

Achtung:

Nur Bolzen Typ FFQ für die Verbindung zu Typ TQ verwenden!

Weitere Eigenschaften:

WerkstoffAluminium
für Kolben Ø (mm)80
A (mm)25
B (mm)18,0
Ø D (mm)20
F (mm)36
L (mm)210
M (mm)95
N (mm)72,0
Gewicht600 g / Stk.

Herstellerdaten

DF Druckluft-Fachhandel GmbH
Adresse: Hewlett-Packard-Straße 1, 71083 Herrenberg
E-Mail: info@druckluft-fachhandel.de

0 von 0 Bewertungen

Durchschnittliche Bewertung von 0 von 5 Sternen

Bewerten Sie dieses Produkt!

Teilen Sie Ihre Erfahrungen mit anderen Kunden.


Für Sie ausgesucht

Andere Kunden kauften auch