Zum Hauptinhalt springen Zur Suche springen Zur Hauptnavigation springen
Ihr Druckluft-Onlineshop – seit über 15 Jahren
Kompetente Fachberatung
Über 400.000 zufriedene Kunden
Ersatzteil-Service

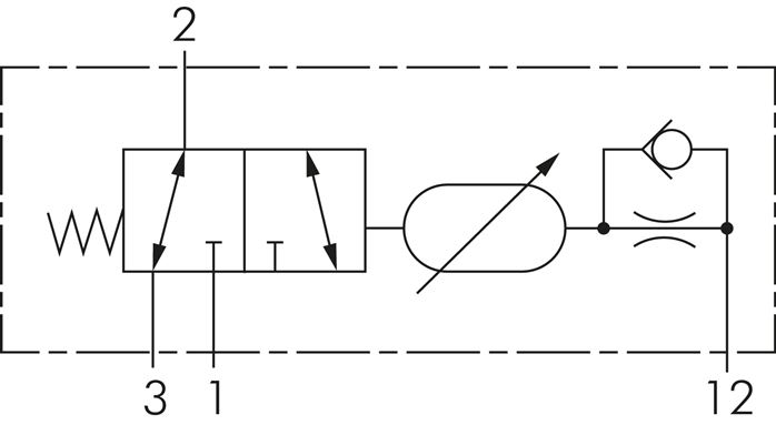
3/2-Wege Zeitventil, 1 - 20 Sekunden, G 1/8"

Passendes Zubehör

Das könnte Sie auch interessieren

DF Preisgarantie: Wir ziehen mit!

Sparen Sie sich den Vergleich: Sollten Sie einen unserer Artikel bei einem deutschen Wettbewerber (online oder im Ladengeschäft) günstiger entdecken, passen wir unser Angebot an. Sie zahlen bei uns garantiert nur den Mitbewerberpreis.

Um die Preisgarantie in Anspruch zu nehmen, füllen Sie bitte unser Preisgarantie-Formular aus.

Produktinformationen "3/2-Wege Zeitventil, 1 - 20 Sekunden, G 1/8""

Werkstoffe:

Körper: Aluminium eloxiert, Innenteile: Aluminium, Messing und Edelstahl, Dichtungen: Kunststoff und NBR

Temperaturbereich:

-10°C bis +70°C

Medien:

geölte und ungeölte, gefilterte Druckluft

Druckeingang:

Anschluss P (1) (Grundstellung geschlossen) oder Anschluss R (3) (Grundstellung offen)

Funktion:

Dieses Ventil schaltet verzögert. Es kann in Ruhestellung geschlossen oder Ruhestellung offen eingesetzt werden. Druckanschluss bei P (1) ergibt die Funktion "Ruhestellung geschlossen", Druckanschluss bei R (3) die Funktion "Ruhestellung offen". In Ruhestellung ist Durchfluss von R (3) nach A (2), Anschluss P (1) ist gesperrt. Ein bei Z (12) ankommendes Signal schaltet nach Ablauf der eingestellten Zeit das Ventil auf Durchfluss von P (1) nach A (2), R (3) wird gesperrt. Nach Löschen des Signals stellt eine Feder den Kolben sofort zurück.

Ein Anschluss der Signalleitung Z (12) an P (1) oder R (3) ist möglich. Hierbei ist darauf zu achten, dass die Signalleitung zum Ventilanschluss P (1) oder R (3) nicht länger ist als die Signalleitung nach Z (12).

Weitere Eigenschaften:

GewindeG 1/8"
Durchfluss (L/min)600
Betriebsdruck (bar)3 - 10
Zeitbereich (s)1 - 20
Steueranschluss ZG 1/8"
Gewicht350 g / Stk.

Herstellerdaten

DF Druckluft-Fachhandel GmbH
Adresse: Hewlett-Packard-Straße 1, 71083 Herrenberg
E-Mail: info@druckluft-fachhandel.de

0 von 0 Bewertungen

Durchschnittliche Bewertung von 0 von 5 Sternen

Bewerten Sie dieses Produkt!

Teilen Sie Ihre Erfahrungen mit anderen Kunden.


Für Sie ausgesucht

Andere Kunden kauften auch