Zum Hauptinhalt springen Zur Suche springen Zur Hauptnavigation springen
Ihr Druckluft-Onlineshop – seit über 15 Jahren
Kompetente Fachberatung
Über 400.000 zufriedene Kunden
Ersatzteil-Service

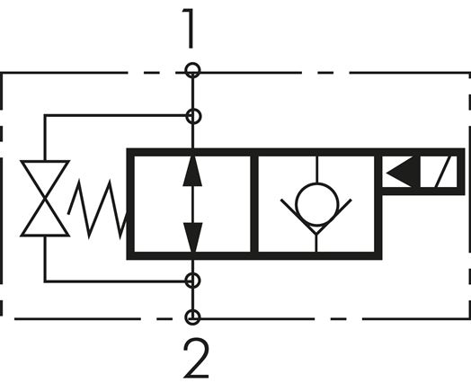
2/2-Wege Ventil, stromlos geöffnet (NO), einseitig 24V=, 1/2", bis 350 bar (Stahl verzinkt)

Das könnte Sie auch interessieren

DF Preisgarantie: Wir ziehen mit!

Sparen Sie sich den Vergleich: Sollten Sie einen unserer Artikel bei einem deutschen Wettbewerber (online oder im Ladengeschäft) günstiger entdecken, passen wir unser Angebot an. Sie zahlen bei uns garantiert nur den Mitbewerberpreis.

Um die Preisgarantie in Anspruch zu nehmen, füllen Sie bitte unser Preisgarantie-Formular aus.

Produktinformationen "2/2-Wege Ventil, stromlos geöffnet (NO), einseitig 24V=, 1/2", bis 350 bar (Stahl verzinkt)"

Verwendung:

Vorgesteuerte 2/2-Wege-Sitzventile mit Notablassschraube zur Entlastung von 1 nach 2 bei geschlossenem Ventil. Die Sitzventile sperren einen Ölstrom leckagefrei ab. Bei der Auswahl der Ventile ist die Sperrrichtung zu beachten.

Werkstoffe:

Gehäuse: Aluminium (10 bis 350 bar: Stahl verinkt), Einschraubventil: Stahl verzinkt, Dichtungen: NBR

Temperaturbereich:

Medium: -20°C bis +80°C, Umgebung: -30°C bis +90°C

Medien:

Hydrauliköle auf Mineralölbasis

Leistungsaufnahme:

20 W

Schutzart:

IP 65

Magnetspule:

V (Steckergröße 3)

Weitere Eigenschaften:

Ausführung10 bis 350 bar (Stahl verzinkt)
Funktionstromlos geöffnet (NO)
Sperrrichtungeinseitig
Steuerspannung24 V=
GewindeG 1/2"
Nenndurchfluss (L/min)20 - 50
VentilsteckerST 03
Gewicht1,7 kg / Stk.

Herstellerdaten

DF Druckluft-Fachhandel GmbH
Adresse: Hewlett-Packard-Straße 1, 71083 Herrenberg
E-Mail: info@druckluft-fachhandel.de

0 von 0 Bewertungen

Durchschnittliche Bewertung von 0 von 5 Sternen

Bewerten Sie dieses Produkt!

Teilen Sie Ihre Erfahrungen mit anderen Kunden.


Für Sie ausgesucht

Andere Kunden kauften auch